Регулятор температуры RT-800
Мы работаем напрямую с производителями, что позволяет нам предлагать лучшую цену на рынке.
Наша команда экспертов с опытом работы на рынке метизов более 18 лет всегда готова предоставить консультации и техническую помощь.
Оперативная поддержка:
Быстрое реагирование на запросы клиентов и помощь на всех этапах покупки.
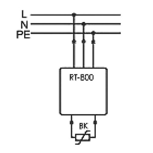
Регулятор температуры RT-800 торговой марки FIF (Евроавтоматика F&F EA07.001.017)
Назначение: Для контроля и поддержания заданной температуры или диапазона температур воздуха в жилых и производственных помещениях, различного рода жидкостях в технологических процессах.
Принцип работы:
В режиме «обогрев»
Если температура в зоне контроля ниже установленного на терморегуляторе значения, контакты исполнительного реле замкнуты, нагреватель включён. При достижении установленного значения температуры контакты размыкаются и нагреватель отключается. При снижении температуры на величину установленного гистерезиса контакты исполнительного реле замыкаются, и нагреватель включается снова.
В режиме «охлаждение»
Если температура в зоне контроля выше установленного на терморегуляторе значения, контакты исполнительного реле зам- кнуты, охладитель (холодильник, вентилятор и т. п.) включён. При достижении установленного значения температуры контакты раз- мыкаются и охладитель отключается. При увеличении температуры на величину установленного гистерезиса контакты исполни- тельного реле замыкаются, и охладитель включается снова. Все терморегуляторы работают с выносными датчиками температуры. Клеммы подключения датчика изолированы от сети питания и контактов исполнительного реле.
Отличительные особенности реле: Напряжение питания 230 В; 50 Гц, Диапазон от -20 до +130 гр., Гистерезис 1-30 гр., Контакт 1NO, Максимальный ток 16 А. Розеточный модуль.
ООО «Брок Альтернатива» - дилер Белорусского предприятия «Евроавтоматика ФиФ».
Предлагаем Вам релейную автоматику позволяющую решать задачи по автоматизации, электробезопасности и энергосбережению по доступным ценам. Звоните или заказывайте на сайте.
Магазин "Крепеж и Электрика" Минск, ул. Аэродромная, 32. Тел. +375 (29) 155-02-42.
Отдел продаж электротехнической продукции +375 (17) 336-41-61.


